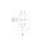
Αντικεραυνικό ράγας, 1P+Ν [T2+Τ3]
- Κλάση: T2, T3
- Μέγιστη τάση: 275VAC
- Ονομαστική / Μέγιστη ένταση εκφόρτισης: 20kA / 40kA [nom./max]
- Χρόνος απόκρισης: ≤25ns
- Θερμοκρασία λειτουργίας: -40°C έως 80°C
- Καλωδίωση: 2.5mm² – 16mm²
- Με ένδειξη λειτουργίας
- Υλικό κατασκευής: Thermal plastic UL94-V0











